“Que outra liberdade psicológica temos nós, senão a liberdade de sonhar? Psicologicamente falando, é no devaneio que somos livres.”
Gaston Bachelard
Como procedimento inicial de uma análise capaz de conduzir, em contextos diferenciados, à democratização social da ocupação pelo pantaneiro ribeirinho do seu habitat, nossos esboços se principiam através da apreciação do assentamento da sua habitação e do local de implantação.
Assentada ao rés do chão à beira do barranco, a casa ribeirinha pantaneira se diferencia da habitação tradicional ribeirinha das demais regiões do Brasil, em especial da Amazônia que também possui condições de cheias e secas, mas é em palafitas.
Analisando sob o ponto de vista da linha do raciocínio racionalista crescente da ciência contemporânea, como vimos na “parte 01” deste colóquio, esta tipologia de assentamento ao rés do chão tem por propósito não esconder ou abrigar “bicho do chão”[1] ou artrópodes[2] e/ou répteis ou qualquer outra variedade de animais sob o assoalho na época da seca, visto a grande biodiversidade existente dos mesmos neste santuário ecológico da humanidade[3]. Assim como o grande risco que poderia advir à saúde humana, por ataque de “Boca de Sapo”[4] ou quaisquer répteis.
Mas, analisando mais amiúde através da transposição profunda à imagem poética no processo cognitivo que brotou como flores através de uma boa prosa com o pantaneiro ribeirinho – formando belos tapetes, por onde andam aves, e repousam capivaras – fomos transportados para a fenomenologia desta imagem que nos ajudou a medir a amplitude e o sentido, no contexto cognitivo, do mundo insular do Pantaneiro.
Ao tentarmos analisar a relação entre o Pantaneiro Ribeirinho e a “ilha” – que ele constrói para assentar sua morada – em seus aspectos simbólicos e imaginários, adentramos em um mundo complexo, onde se exige boa dose de pluralismo metodológico e vertentes explicativas dentro do âmbito das Ciências Humanas, no qual incluo a sociologia, a psicologia, a antropologia e a história – esta última já rascunhada na “parte 03” deste colóquio.
Em algumas correntes da psicologia o mar – e aqui me reporto a imagem da “Laguna de los Xarayes” – é relacionada com a figura materna, o líquido amniótico protetor que envolve o feto e a “ilha” é o símbolo da própria figura materna, o útero protetor.
No Dicionário dos Símbolos, de Chevalier e Gheerbrant (1992), podemos resumir o significado da água a três principais aspectos: fonte de vida, meio de purificação e centro de regeneração.
Em outras partes do mundo, como na Ásia, a água é a forma substancial da origem da vida, da manifestação do poder vital e espiritual, o símbolo da fertilidade e da sabedoria.
A “ilha”, rodeada pelo “Mar de Xarayés”, apesar de ser um símbolo polissêmico, com vários conteúdos e significados que variam com a história e as sociedades, no universo pantaneiro percebemos que está intimamente ligada ao centro espiritual primordial, ou seja, a imagem completa perfeita da comunhão e/ou do refúgio e útero materno.
Essa relação complexa também pode ser expressa por meio da literatura, da poesia e das artes.
“…. Um sonho me levou
Com o Salgueiro a navegar
Na chalana da ilusão
Pelo mar de Xarayés….
…. Heróicos Guaycuru
Um galopar de liberdade
Um dia o Pantanal chorou, chorou, chorou
E floresceu brasilidade
Lá se vai o predador
E a cobiça do invasor
Pantaneiro canta e dança
Num mar de felicidade
Conta lendas castelhanas
Me embala neste teu sonhar, teu sonhar….” [6]
Este espaço insular por excelência onde cultura, sociedade e espaço coincidem, é o lugar da comunhão, do convívio social. E este é o principal motivo, do pantaneiro ribeirinho, para a habitação ser assentada ao rés do chão.
“Depois pensou na Ilha e a definiu como inatingível proximidade.”[7]
Regressando ao ponto de vista da linha do raciocínio racionalista, mas nunca abduzindo a transposição profunda à imagem poética no processo cognitivo, ao escolherem a sua territorialidade, os pantaneiros ribeirinhos a constroem, como se constrói um curral revestido de tábuas, e com altura cerca de 5 a 10 cm (cinco a dez centímetros) acima do nível da maior cheia registrada (comprovadas pelas marcas das águas nas árvores ao redor) para assentar sua morada.
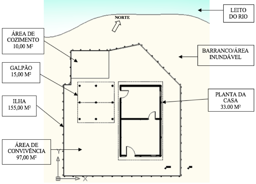
Esta espécie de “ilha” feita pelo pantaneiro com o barro do barranco, e cercada por pranchas de madeira, das quais foram trabalhadas artesanalmente utilizando os pés-de-pau[8] do pantanal, e que serão detalhadas amiúde na “Parte 05” deste colóquio – formam um curral – e este ocupa, neste caso específico da nossa ilustração, uma área de 155,00 m2.
Nas demais visitas que fizemos aos ribeirinhos próximos, nos estudos de casos, percebemos que a habitação representa cerca de 40% de todo o espaço disponível (ilha) e este percentual se repete, com pequenas alterações na região, independente da área ocupada pelas habitações, ou seja, a área de convivência externa na época das águas corresponde a 60% do total da extensão da “ilha”.

Croqui esquemático do espaço utilizado pela habitação ribeirinha pantaneira em Poconé (época da seca). Residência Sr. Lourenço nas coordenadas geográficas 16º36`13,37″S / 56º 25`56,71″O.
A fenomenologia da ilha feita pelo ribeirinho permite-nos explorar o homem pantaneiro como um ser de uma superfície, que deseja segurança e acolhida, que a usa e transforma a madeira e o barro nu e cru, elementos embrionários das relações sociais da natureza pantaneira, assim como em utensílio doméstico e de trabalho. O homem pantaneiro é um ser do Pantanal e a “ilha” o espaço de união, mas que separa a região do mesmo da região do outro, e o Pantanal o espaço de convívio das regiões e importantíssimo meio de reprodução do conhecimento e matéria prima.
Esta matéria prima retirada da natureza é utilizada em funções diversas, não havendo qualquer tipo de descarte, e esta relação do pantaneiro com o meio ambiente inicia-se na infância quando as crianças acompanham seus pais no trabalho, conforme observa Banducci (1995):
“[…] Aí eles aprendem a “olhar” a natureza, a reconhecer suas diferentes formações vegetais e do espaço, a se localizar dentro dele e decodificar mensagens transmitidas por animais e plantas, os sons das matas e dos bichos, o comportamento do gado, das montarias, das caças e de outros animais silvestres.” (BANDUCCI, 1995, p. 79)
Segundo Moram (1989), a reprodução deste conhecimento adquirido desde a infância nas soluções consagradas historicamente pressupõe um constante diálogo do homem, como um ser social, com a paisagem, processo este chamado de adaptação reguladora:
“[…] o ambiente é reconhecido pela percepção do indivíduo, mas somente parte dessa percepção entra na cognição devido às estruturas ecológicas que derivam da linguagem e às rotinas passadas do indivíduo na sociedade. Tais estruturas também servem para avaliar o que entrou no consciente. A partir daí se segue um processo de decisão no qual interagem avaliação com rotinas culturais baseadas em experiências anteriores. Daí surge a decisão de fazer ou não fazer alguma coisa que, por sua vez, será influenciada pelas condições externas que possam restringir a ação […]”.
Se Integrarmos a gestão ambiental às comunidades locais, o saber ambiental se faz intrínseco quando se funde a consciência de seu meio e formas de manejo sustentável de seus recursos, intimamente ligados com sua simbologia e processos de interação de saberes com o ambiente.
É necessário neste caso específico compreender a racionalidade cultural, o conhecimento local tanto do homem pantaneiro como de sociedades rurais, nas classificações da natureza – seus saberes e práticas que formam modelos holísticos de percepção e uso dos recursos naturais – constituindo-se em verdadeiro patrimônio natural e cultural da humanidade.
“[…] Por constituir-se em novas identidades nas quais se inscrevem os atores sociais que mobilizam a transição para uma racionalidade ambiental, o saber ambiental se produz numa relação entre teoria e práxis. O conhecer se abre para novos sentidos civilizatórios, implicando na desconstrução da racionalidade vigente, que engendrou a crise ambiental, para gerar um novo saber no qual se reinscreve o ser no pensar e se reconfiguram as identidades mediante um diálogo de saberes, na dimensão aberta pela complexidade ambiental para o re-conhecimento e a re-apropriação do mundo.” (LEFF, 2000b, p.188-189).
Crendo que a interdisciplinaridade, quando se pesquisa questões na esfera do meio ambiente, é determinante para a ciência e confronto de conhecimentos, o diálogo entre os conhecimentos oficiais e vernaculares são fundamentais.
Mas como se realiza a dialética da territorialidade da “ilha” com a habitação?
Essas casas se orgulham de suas árvores,
De suas flores
E de seus deslimites.
Elas não usam quintais [9]
As ilhas estão presentes nos mitos fundadores de muitas sociedades e culturas. No Pantanal, enraizada como Piúva na “Laguna de los de Xarayes”, em meio a majestosa natureza, abrigou o ribeirinho que viveu afastado das sociedades globais e que criou um espaço simbólico como cenário de ocupação territorial.
“…. Não é o conhecimento do real que nos faz amar apaixonadamente o real. É o sentimento que constitui o valor fundamental e primeiro. A natureza, começamos por amá-la sem conhecê-la, sem vê-la bem, realizando nas coisas um amor que se fundamenta alhures. Em seguida, procuramo-la em detalhe, porque a amamos em geral, sem saber por quê (…). E se o sentimento pela natureza é duradouro em certas almas é porque, em sua forma original, ele está na origem de todos os sentimentos. É o sentimento filial.” (Bachelard, 1989:119)[10]
A pergunta que se deve fazer é: até que ponto a insularidade contribui para a produção de uma identidade particular, a do pantaneiro ribeirinho, diferenciada daquela do pantaneiro não ribeirinho?
Na vida do homem ribeirinho pantaneiro a casa afasta as contingências, protege e agasalha. Sem ela o pantaneiro seria um ser disperso como o gado ou qualquer animal no pantanal que migra conforme as águas.
A habitação pantaneira ribeirinha nos traz valores oníricos no universo holístico pantaneiro, evocando importância ao pensamento, lembranças, sonhos e aos materiais e técnicas construtivas vernaculares, tendo o cuidado de não romper com o equilíbrio do ecossistema, da mesma forma que com palavras um poeta têm o cuidado de não romper, mas de abalar o nosso ser.
Uma bela árvore,
Não torna a habitação mais poética,
Mas a beleza e simplicidade da habitação,
Aumentam a poética da árvore. (do autor, 2012)
No plano filosófico e poético em que nos colocamos, passamos a dizer que entendemos a ocupação da habitação ribeirinha como um desenho onírico das funções do habitar no habitat.
Sonhos estes que permanecerão, e se perpetuarão pelo pantaneiro, de alma para alma, mesmo após a casa não mais existir, no final do seu ciclo de vida. E nesta imagem poética integrando todos os seus valores particulares em um valor fundamental, que pormenoriza os aspectos pitorescos do imaginário e analisa as razões do seu conforto. Ela é, como se diz frequentemente, o primeiro universo do pantaneiro, o lugar de convivência social onde as relações de vizinhança e familiar se estabelecem.
Esta tipologia da edificação pantaneira ribeirinha da região de Poconé – e feita de taipa de mão, é denominada pelos pantaneiros de “casa de barro”.
Na “Parte 05” deste colóquio tentaremos descrever com a precisão necessária a tipologia da “casa de barro”.
Até lá….
[1] Bicho do chão – Cobra no linguajar pantaneiro.
[2] Os Artrópodes são animais invertebrados caracterizados por possuírem membros rígidos e articulados e terem vários pares de pernas. Compõem o maior filo de animais existentes, representados pelos gafanhotos, aranhas, caranguejos, centopéias e embuás, somam mais de um milhão de espécies descritas.
[3] O Parque Nacional do Pantanal Mato-grossense foi criado em 1981 e, além de proteger as áreas inundadas, também garante a preservação da biodiversidade. Foi declarado no ano de 2000, Patrimônio Natural da Humanidade e Reserva da Biosfera pela UNESCO. O Complexo do Pantanal, situado no Brasil, é um ecossistema com cerca de 250 mil km² de extensão, e altitude média de 100 metros, situado no sul de Mato Grosso e no noroeste de Mato Grosso do Sul, além de também englobar o norte do Paraguai e leste da Bolívia (que é chamado de chaco boliviano).
[4] Boca de Sapo – Cobra venenosa
[6] Samba Enredo da Escola de Samba Acadêmicos do Salgueiro no Carnaval de 2001 – Salgueiro no Mar de Xarayés – Nêgo
[7] Umberto Eco — A Ilha do Dia Anterior
[8] Árvores, no linguajar pantaneiro
[9] Manoel de Barros. Para encontrar o azul eu uso pássaros. Fundação Manoel de Barros. 1ª edição. 1999.
[10] Bachelard – A Água e os Sonhos.
[11] César Saullo e Regis de Moraes. Aldeia de Minas – Tapera Branca. 3ª ed. Cuiabá, MT. Carlini & Caniato, 2008.


